DESIGN PORTFOLIO

DESIGN, CONSTRUCTION OF THE BIOFILTER (MBBR)

Using Autodesk Inventor and Revit, I designed the mechanical and hydraulic systems of a Biofilter (MBBR). This innovative wastewater treatment technology is used to remove contaminants and pollutants from both industrial and municipal wastewater. It applies a biological treatment process in which microorganisms grow on small plastic carriers, or biofilm media, suspended in water. These microorganisms effectively break down organic matter, ammonia, and other pollutants.

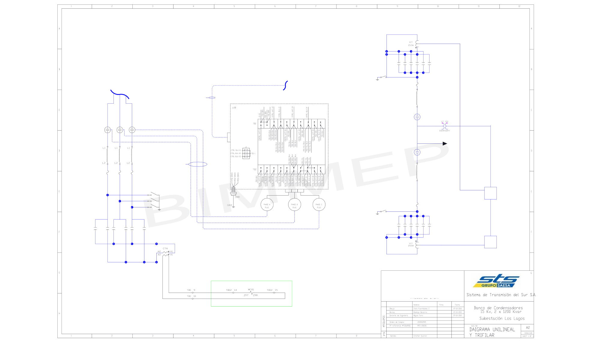
DESIGN, CONSTRUCTION AND INSTALLATION OF CAPACITOR BANK

Led the design, fabrication, and installation of a capacitor bank , from 3D BIM modeling to on-site assembly and commissioning, improving substation reliability and power quality.

ENHANCED MAINTENANCE SOLUTIONS FOR MINING ROD MILLS

My achievement was leading the maintenance project for rod mills at Codelco’s Chuquicamata Division, collaborating closely with a team of engineers to develop the design from a 3D model and deliver a high-impact animation.